Schematcis for LPC2148 Core Board

Post Reply
esky-sh
Posts: 2137
Joined: Sat Dec 20, 2008 4:21 am

Schematcis for LPC2148 Core Board

Post by esky-sh » Tue May 10, 2011 3:55 am

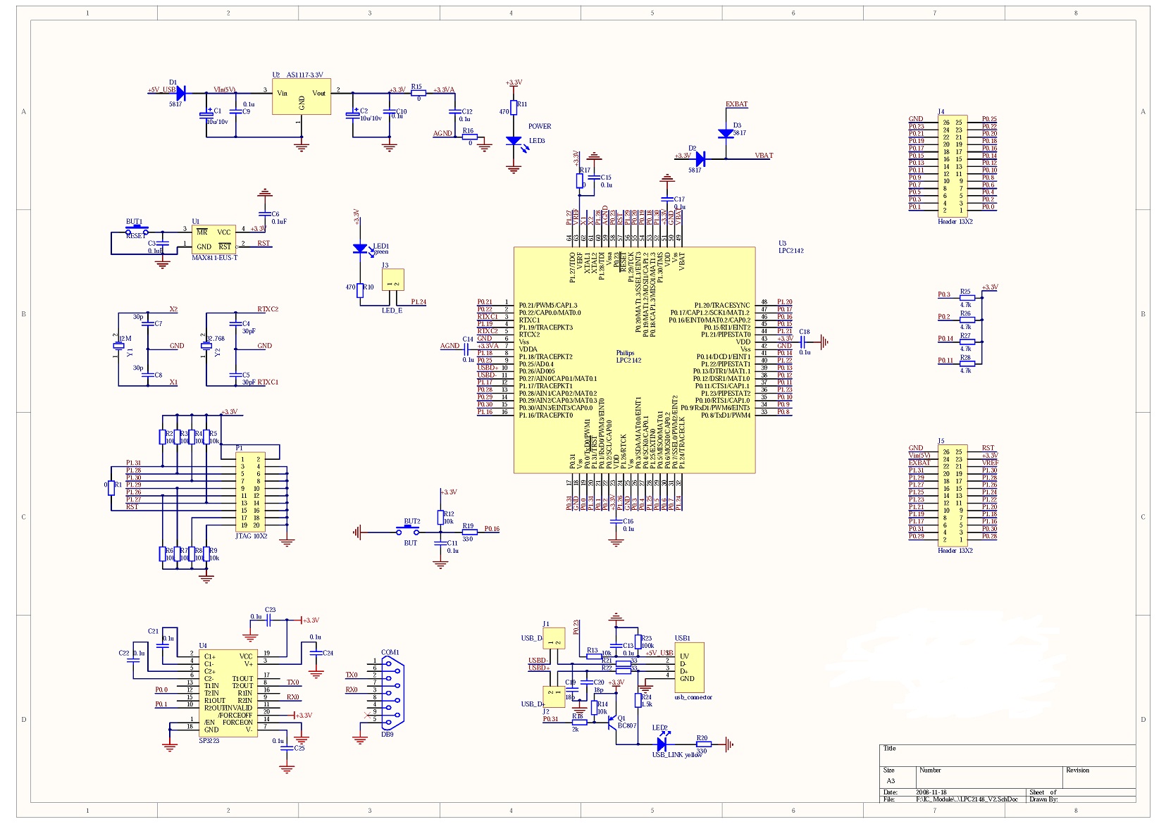
LPC2148 Enhacement Core Board
Attachments
LPC2148_Enhance_SCH.jpg
LPC2148 Enhacement Core Board
LPC2148_Enhance_SCH.jpg (347.14 KiB) Viewed 64829 times

Post Reply

Who is online

Users browsing this forum: No registered users and 6 guests